Inline Magnetic Flux Leakage Inspection of Reduced-Bore Ball Valves in Bohai Oilfield Subsea Pipelines
Abstract: During Phase IV of the Bohai Oilfield development project, a new 12-in mixed-phase subsea pipeline was constructed. The presence of a variable-diameter ball valve prevented the use of conventional magnetic flux leakage (MFL) inline inspection tools. To overcome this limitation, an adaptive modification scheme for the internal structure of the variable-diameter ball valve was developed. Full-scale simulation tests were carried out at an onshore test facility, enabling the first successful MFL inline inspection of a subsea pipeline equipped with a variable-diameter valve in the Penglai Oilfield. An MFL inline inspection tool is a specialized robotic device that travels inside oil and gas pipelines and is equipped with magnetic sensors to assess and evaluate the condition of the pipe wall. MFL inspection technology is well-established and widely used in the pipeline inline inspection industry.
As part of Phase IV of the Bohai Oilfield development, a new Wellhead Platform A was installed, along with a 12-in mixed-phase subsea pipeline to transport production fluids to Platform B. The pipeline system included a 12-in × 10-in variable-diameter ball valve. The valve’s internal bore diameter changed from 303 mm to 252 mm, which did not meet the geometric passage requirements of standard MFL tools. To obtain baseline wall-thickness data for the newly constructed subsea pipeline and provide a reference for future pipeline integrity management, a feasibility study was conducted on the design modifications of a high-passability MFL inspection tool and its associated valve structure.
Platform A is a newly constructed wellhead platform, connected to the existing production process Platform B by two new 12-in subsea pipelines. Platform B supplies the water injection source and receives the produced crude oil, while the pipelines use a single-layer thermal-insulated structure. Following the installation of the mixed-phase subsea pipeline, pre-inspection pigging operations were carried out, including cleaning and caliper gauging. The straight-pipe caliper plate exhibited plastic deformation from 283 mm to 253 mm, forming a bowl-shaped profile, while the elbow caliper plate deformed from 253 mm to 250 mm. Comparative analysis of the caliper data confirmed the presence of a reduced-bore (12-in × 10-in) ball valve at Platform A.
The conventional pigging tools used in the oilfield are rigid-plate mechanical pigs, primarily equipped with steel brushes to remove internal debris. Although the nominal pipeline diameter meets the requirements for straight-plate pigging, passage through a reduced-bore ball valve generates a differential pressure across the pig, potentially disrupting production-well operation at the platform. When a mechanical pig passes over the internal diameter step of a reduced-bore valve, a sudden pressure surge may occur, potentially causing an automatic shutdown of the oilfield wells. Additionally, due to the compressibility limitations of the sensor carrier and magnetizer assemblies in conventional magnetic flux leakage (MFL) inline inspection tools, the minimum passable valve bore for a 12-in MFL tool is approximately 274 mm. To ensure safe passage without damaging the detector probes and magnetizer modules, both the magnetizer configuration and the sensor carrier type had to be redesigned. Targeted analyses and experimental validations were conducted to address these special conditions.
Mechanical pigs used for routine production pigging differ substantially from mechanical caliper pigs used for geometric inspection in terms of structure, function, and diameter-measurement capability. Adaptive modification of the mechanical pig was therefore required. To accurately measure internal diameter variations, the caliper pig must accommodate both elbow and straight-pipe gauging plates. For a pipeline wall thickness of 14.3 mm, the elbow and straight-pipe gauging plate diameters were selected as 283 mm and 241 mm, respectively. The pig disc (sealing plate) diameter was reduced from 200 mm to 160 mm, and the corresponding minimum passable bore was reduced from 250 mm to 210 mm.
The internal bore of the reduced-bore ball valve was confirmed through drawing review and on-site inspection. A continuous bore reduction was identified at the valve ball section. The passability of a circumferential magnetic flux leakage (MFL) inspection tool depends on uniform radial compression of its 360° circumferential magnetizer assembly, unlike conventional tools that can accommodate localized bore restrictions. Therefore, the overall configuration of the MFL magnetizer module required optimization to enable uniform radial compression compatible with the reduced bore of the valve ball.
First, regarding the propulsion module (Figure 1), the detector must traverse a 12 in × 10 in reduced-bore section. Use of conventional 12-in sealing cups would risk cup damage during passage, leading to loss of propulsion and potential tool bypass within the subsea pipeline. Accordingly, the configuration and number of propulsion cups were modified. A toothed support disc was installed at the front end of the propulsion module in a cross-oriented arrangement to provide driving force in the 12-in pipeline and to maintain propulsion after elastic deformation of the toothed discs while passing through the 10-in valve section. In addition, a 10-in sealing disc was installed between the front and rear propulsion cups to serve as a supplementary driving element while traversing the reduced-bore section.

Figure 1. Toothed guide disc and supplementary propulsion sealing disc
Second, the MFL magnetizer module was redesigned with a compact permanent-magnet and steel-brush arrangement to minimize the overall magnet block volume. The steel brushes function as both compliant supports and magnetic flux couplers to the pipe wall. In conventional designs, densely packed probes compressed to their mechanical limit can restrict the tool’s passability. In the current design, a staggered probe arrangement was adopted (Figure 2). To ensure reliable signal acquisition under compression, the probes were closely overlapped in a staggered layout, maintaining effective pipe-wall magnetization and consistent MFL measurements.

Figure 2. Staggered probe ring design
Because a reduced-bore valve is installed at the pig launcher on Platform A, the pig encounters pressure fluctuations in the oil–water–gas mixture as it passes through the valve immediately after launch. Therefore, after the pig passes through the reduced-bore valve, the gas–liquid ratio must be carefully controlled to minimize the impact of slug flow on normal production operations. Previous pigging operations had caused pressure buildup, leading to excessive wellhead backpressure and automatic shutdown of the separator and inlet manifold due to overpressure.
To mitigate this risk, the pig launcher and its flow path were modified prior to and during the MFL inspection run. Once the detector was loaded into the launcher, a pressure test was conducted to verify both sealing integrity and operational readiness. After confirming the detector’s readiness, the launcher pressure-control (PV) safety valve was manually adjusted to maintain the launcher within a safe pressure range. Simultaneously, gas from the upper section of the launcher was vented through a bypass line while the liquid level in the closed-loop section was carefully monitored. When the level gauge showed a significant rise, the PV safety valve was closed, and the lower closed-loop pipeline to the receiver was opened to release residual gas from the bottom of the launcher. Liquid levels were continuously monitored throughout the procedure. Once the level stabilized at a continued rise, the lower closed-loop line was closed, confirming that the gas inside the launcher had been fully displaced. This procedure ensured that the launcher was fully filled with liquid before pig release, minimizing slug-flow effects during startup and shutdown of the inspection tool and preventing pressure buildup in the production system.
The reduced-bore ball valve, located downstream of the launcher-end motor-operated valve (MOV) on Platform A, is the highest-risk restriction during pigging and the most likely point for detector blockage or stagnation. If the magnetic flux leakage (MFL) detector becomes stuck at the reduced-bore valve, the shutdown valve (SDV) on Platform A is promptly closed to isolate the affected pipeline section. The launcher section is then depressurized via the bypass line and the launcher’s safety relief valve. Once pressures are equalized, the MOV is closed to completely isolate the blocked pipeline segment. Subsequently, the electric hoist mounted on the overhead rail is used to lift the reduced-bore valve assembly, enabling removal of the valve ball and recovery of the stalled MFL detector.
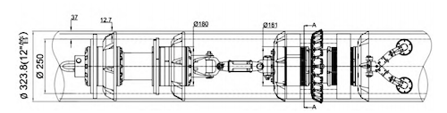
Simulation testing of the MFL detector was conducted on both single-module and full-assembly configurations to assess tool performance and probe data-acquisition effectiveness when passing through the minimum-diameter restriction. The simulations were performed using a minimum pipe inner diameter of 250 mm and a representative wall thickness of 12.7 mm, enabling evaluation of both detector passability and structural integrity across sections with differing pipe diameters. Simulation analyses of the propulsion module (Figure 3), MFL module (Figure 4), and full detector assembly (Figure 5) show that the redesigned drive discs, guide elements, sealing components, and magnetized steel-brush configuration meet the required passability criteria.
Following successful simulation validation of passability, a field verification test was conducted at a loop test facility. A reduced-bore test section was constructed (Figure 6), and the detector was propelled from a 12-in (323.9 mm) full-bore pipe through a transition reducer into a 250 mm restricted section to physically validate the redesigned configuration. Both simulation and tensile-pull tests confirmed that the detector can reliably traverse the reduced-diameter section. During pull-through testing, the detector moved smoothly through the reduced-bore section, with no noticeable sticking, jamming, or pressure buildup.

Figure 3. Operating condition of the MFL detector power module

Figure 4. Operating condition of the MFL detector magnetization module

Figure 5. Operating condition of the complete MFL detector assembly

Figure 6. Reduced-bore test pipe section
Due to the newly commissioned production well on Platform A, the well stream had a high gas fraction and relatively low liquid flow, with a gas–liquid ratio of approximately 6:1 (36,000 m³/d of gas and 5,700 m³/d of liquid). These conditions can cause severe slugging during pigging and inline inspection; therefore, wellhead operating parameters were adjusted during the inspection campaign to stabilize the multiphase flow. The field implementation was carried out in two stages: pigging and inline inspection.
Under normal production conditions on Platform A (5,700 m³/d liquid and 36,000 m³/d gas), the pigging velocity was approximately 1.26 m/s, and the duration of a single pig run was about 0.65 h. Mechanical caliper pigging was first performed to verify the pipeline’s minimum internal diameter. Aluminum caliper plates were used as follows:
- Straight pipe: 283 mm diameter × 3 mm thickness
- Elbow sections: 241 mm diameter × 3 mm thickness
The caliper pigs were launched from Platform A and received at Platform B for inspection. The minimum internal diameters recorded were 253 mm for straight pipes and 239 mm for elbows. Comparison of the measured caliper data with the pipeline drawings confirmed that the observed diameter reductions matched the design specifications of the reduced-bore ball valve, with no additional deformation detected. Subsequently, high-throughput cleaning pigging was performed. Mechanical steel-brush pigs and magnetic cleaning pigs were run according to pipeline cleanliness requirements. Following caliper verification, high-throughput cleaning pigging was conducted. Mechanical steel-brush pigs and magnetic cleaning pigs were deployed to meet pipeline cleanliness standards. The recovered debris consisted primarily of minor sludge, with no hard solid contaminants, meeting the cleanliness requirements for inline MFL inspection.
Due to the high gas production from the newly commissioned well, special measures were implemented to stabilize the detector during launch and minimize the impact of slug flow on process equipment. Before launching, the gas phase inside the pig launcher was vented into the closed-loop tank via the launcher bypass line, PV safety valve, and closed-loop piping system. This procedure allowed the detector to be launched in a fully liquid-filled state, with pressure fluctuations maintained within 2.3 MPa and flow velocity controlled at approximately 1.2 m/s during the inspection run. Under these stabilized multiphase-flow conditions, the inline magnetic flux leakage (MFL) inspection was successfully carried out.
Magnetic flux leakage (MFL) inline inspection provides wide applicability, high accuracy, and cost-effectiveness, but its ability to pass through reduced-bore sections is inherently limited. The current design modifications and field validation demonstrate that:
(1) MFL inline inspection can be successfully applied to 12in × 10in reduced-bore pipelines. The redesigned propulsion module and MFL probe configuration were proven feasible, ensuring effective dynamic sealing and reliable data acquisition while traversing substantial diameter transitions. This approach is applicable to pipelines with bore reductions within the validated range. Under comparable conditions, MFL inspection adapted for reduced-bore pipelines can significantly reduce production losses caused by diameter restrictions in ultrasonic inspections and can offset the limited external wall defect detection of high-throughput eddy-current methods.
(2) Adaptive modification of the mechanical pig, combined with comparative analysis of caliper-plate deformation, enhanced tool passability and provided an effective approach for detecting internal diameter variations. Bore-reduction characteristics can be identified by correlating caliper deformation measurements with pipeline drawings and the locations of key features.
(3) Liquid-filled (slug-free) pig launching in high gas–liquid-ratio multiphase pipelines minimizes process disruption and reduces the risk of slug-induced impacts on inspection tools and production equipment. By implementing proper process control and valve adjustments, stable pig launching can be achieved during routine pipeline cleaning and inline inspection, enhancing the overall integrity management of both inspection tools and oilfield pipeline systems.